Waarom verschuift Brainport Development de focus van AM naar Advanced Manufacturing? Lees verder

Materials

FreeFoam schuimmateriaal voor DLP-printer expandeert met factor 7

Desktop Metal FreeFoam: grote onderdelen 3D printen op kleine printer

Desktop Metal lanceert komende week FreeFoam, een resin dat zo geprogrammeerd kan worden dat het in de oven met een factor 2 tot 7 uitzet. Het wordt geprint met DLP en kan in compacte vorm worden verstuurd, om volume tijdens het transport te beperken. Ook kan men op een klein bouwvolume grote onderdelen printen. FreeFoam bestaat uit volledig gesloten cellen.


Een van de pilot klanten waarmee Desktop Metal het nieuwe materiaal heeft ontwikkeld is Camaco, een engineering provider voor de automobielindustrie. De Amerikaanse ingenieurs hebben als eerste toepassing de vulling van een autostoel ontwikkeld. Desktop Metal ziet ook toepassingen van het kunststof materiaal in de meubelindustrie, schoenenproductie, sportartikelen en de zorg.

Addaptive 3D ontwikkelt FreeFoam binnen de lijn van DuraChain materialen

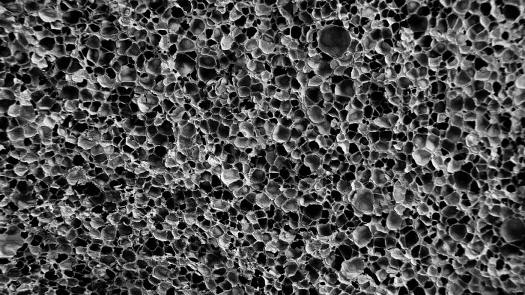
De microstructuur van FreeFoam. (foto’s Desktop Metal).

Expansie met een factor 2 tot 7

FreeFoam is ontwikkeld door Adaptive3D, sinds vorig jaar onderdeel van Desktop Metal. De resins kan zoals andere materialen  met DLP geprint worden. De geprinte onderdelen bevatten gedispergeerde, door warmte geactiveerde schuimmiddelen die gesloten cel poriën in het materiaal creëren. Dat gebeurt wanneer de onderdelen in een oven worden verwarmd tot 160 à 170 graden C. Dit expansieproces laat zich nauwkeurig en controleerbaar sturen. Afhankelijk van de soort hars neemt het volume met een factor 2 tot 7 toe.

Twee voordelen van schuimen

Het schuimmateriaal biedt twee voordelen in de productie van bijvoorbeeld zittingen voor auto’s. Het onderdeel kan op een 3D printer met een relatief klein bouwvolume geprint worden. De uiteindelijke afmetingen ontstaan in de oven. Het tweede voordeel is dat er minder volume getransporteerd wordt doordat 3D printen en de warmtebehandeling twee gescheiden processtappen zijn. Ze hoeven niet direct na elkaar plaats te vinden. Desktop Metal wil FreeFoam gaan aanbieden in verschillende shore-waarden en ook met specifieke eigenschappen, bijvoorbeeld resistent tegen water voor outdoor meubels. In de productie van onderdelen met schuimmateriaal levert FreeFoam het voordeel dat er geen matrijs meer nodig is. Daarnaast kan men de dichtheid makkelijker sturen via het design en daarmee de sterkte en hardheid beïnvloeden via het ontwerp. Desktop Metal CEO Rick Fulop wijst verder nog op de gewichtsbesparing die automobielfabrikanten met het nieuwe materiaal kunnen realiseren.

Enkel voor ETEC Xtreme 8K

Het materiaal van Addaptive3D past in de lijn DuraChain die de polymeerontwikkelaar recent heeft gelanceerd. Bij belichting tijdens DLP printen, gaan deze materialen op nanoniveau over in een materiaal dat uithardt tot een veerkrachtig, hoogwaardig polymeernetwerk. FreeFoam komt in 2023 op de markt als een exclusief materiaal voor de ETEC Xtreme 8K DLP-printer.

In de Benelux kun je voor de DLP printers van ETEC terecht bij Buhlmann.

Back to top button